Khởi động từ (Contactor) là khí cụ điện cốt lõi trong điện công nghiệp, đóng vai trò trung tâm trong việc điều khiển, đóng ngắt và bảo vệ động cơ điện. Chúng là thành phần không thể thiếu trong mọi tủ điện và các hệ thống điện hạ thế.
Việc lắp đặt đúng các mạch này không chỉ đảm bảo động cơ vận hành ổn định mà còn là yếu tố then chốt cho an toàn điện. Bài viết này sẽ cung cấp hướng dẫn chi tiết 14 mạch khởi động từ đơn và kép phổ biến nhất, từ lý thuyết đến các bước thực hành.
Để bắt đầu, hãy đảm bảo bạn đã chọn linh kiện phù hợp (contactor 9-100A, điện áp 220V/380V) và kiểm tra nguồn điện ổn định. Các ký hiệu linh kiện chính bao gồm:
- CB: Cầu dao ngắt mạch (thường gọi là Aptomat).
- CC1/CC2: Cầu chì bảo vệ.
- D: Nút dừng (Stop).
- MT/MN: Nút mở Thuận / Nghịch (Start Forward/Reverse).
- T/N: Contactor Thuận / Nghịch.
- RTZ: Rơ le thời gian.
- K1/K2: Contactor Sao / Tam giác.
- RN: Rơ le nhiệt (bảo vệ quá tải).
💡 Phân Biệt Khởi Động Từ Đơn Và Kép
Khởi động từ đơn dùng 1 contactor để đóng/ngắt, phù hợp cho động cơ 1 chiều quay. Trong khi đó, khởi động từ kép dùng 2 contactor liên động (khóa chéo) để thực hiện chức năng đảo chiều quay động cơ.
Khởi động từ đơn: Sử dụng 1 contactor duy nhất để đóng/ngắt mạch điện, cấp nguồn cho động cơ. Đây là mạch cơ bản nhất, phù hợp cho động cơ 1 chiều quay (ví dụ: bơm, quạt) với công suất thường dưới 10kW.
Khởi động từ kép: Là sự kết hợp của 2 contactor được liên động cơ học (sử dụng tiếp điểm phụ NO/NC chéo) để ngăn cả hai cùng hút. Mạch này chuyên dùng để đảo chiều quay động cơ 3 pha.
Bảng So Sánh Nhanh
Bảng so sánh cho thấy KĐT Đơn có 1 contactor, chi phí thấp, chỉ đóng/ngắt. KĐT Kép có 2 contactor, chi phí cao hơn và có thể đảo chiều quay động cơ, ứng dụng trong các dây chuyền sản xuất.
| Đặc điểm | Khởi Động Từ Đơn | Khởi Động Từ Kép |
|---|---|---|
| Số contactor | 1 | 2 (liên động) |
| Chức năng chính | Đóng/ngắt mạch | Đóng/ngắt + Đảo chiều quay |
| Ứng dụng | Mạch cơ bản, an toàn cao | Đổi chiều quay, sản xuất dây chuyền (e.g., thi công điện nhà xưởng) |
| Chi phí | Thấp hơn | Cao hơn do cần liên động |
| Dòng điện | 9-40A (phổ biến) | 9-100A, giảm nóng tiếp điểm |
⚙️ Nguyên Lý Hoạt Động Cốt Lõi
KĐT đơn dùng từ trường cuộn coil để hút lõi thép, đóng tiếp điểm chính. KĐT kép sử dụng 2 contactor (Thuận/Nghịch) liên động chéo; khi một contactor hút, nó sẽ đảo 2 trong 3 pha điện và đồng thời ngắt contactor còn lại.
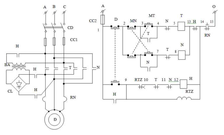
1. Khởi Động Từ Đơn
Khi cấp điện (220V/380V) vào cuộn coil (A1-A2), từ trường sinh ra sẽ hút lõi thép, làm đóng các tiếp điểm chính (L1-L3 vào T1-T3) cấp nguồn cho động cơ. Tiếp điểm phụ NO (13-14) đóng lại để tự giữ mạch.
Khi cấp dòng điện xoay chiều (AC) (220V hoặc 380V) vào cuộn coil (A1-A2) của contactor, một từ trường được sinh ra. Từ trường này hút lõi thép di động, làm đóng các tiếp điểm chính (L1-L3 vào T1-T3), cấp nguồn cho động cơ. Đồng thời, tiếp điểm phụ NO (thường 13-14) đóng lại để duy trì nguồn cho cuộn coil khi nhả nút nhấn ON. Mạch sẽ bị ngắt khi nhấn nút D (Stop) hoặc khi Rơ le nhiệt (RN) nhảy do quá tải.
2. Khởi Động Từ Kép (Đảo Chiều)
Nhấn nút Thuận (MT) cấp điện cho coil T (chạy thuận). Nhấn nút Nghịch (MN) sẽ cấp điện cho coil N (đã đảo 2 pha), đồng thời khóa chéo (bằng tiếp điểm NC) để ngắt T, làm động cơ quay ngược lại.
Nguyên lý này là nền tảng cho các giải pháp giám sát động cơ phức tạp.
- Chạy thuận: Nhấn nút MT → cuộn coil T hút, đóng tiếp điểm chính T, cấp điện 3 pha (L1-U, L2-V, L3-W) cho động cơ quay thuận. Tiếp điểm phụ NO của T đóng lại để duy trì.
- Chạy nghịch: Nhấn nút MN → cuộn coil N hút (lúc này T đã nhả nhờ liên động). Contactor N đảo 2 trong 3 pha cấp vào động cơ (e.g., L1-U, L2-W, L3-V). Động cơ quay ngược chiều.
- Rơ le nhiệt RN sẽ ngắt toàn bộ mạch điều khiển (cả T và N) nếu phát hiện quá tải.
📋 14 Mạch Khởi Động Từ Phổ Biến (Kèm Hướng Dẫn Lắp Đặt)
Dưới đây là 14 sơ đồ mạch từ cơ bản (contactor đơn, JOG) đến phức tạp (sao-tam giác, đảo chiều, hãm ngược, 2 tốc độ, chạy luân phiên, ATS) kèm theo các bước lắp đặt và kiểm tra thực tế.
Dưới đây là 14 mạch phổ biến nhất, mỗi mạch đều có nguyên lý và các bước lắp đặt cụ thể. Sử dụng dây đồng 1.5-2.5mm² cho mạch điều khiển và công cụ chuyên dụng (tua vít, kìm, đồng hồ đo điện).
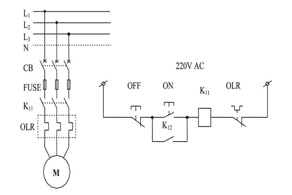
1. Mạch động cơ 3 pha dùng contactor đơn
Đây là mạch cơ bản nhất, dùng 1 contactor (K) và Rơ le nhiệt (RN) để đóng/ngắt, cấp nguồn trực tiếp cho động cơ 3 pha qua nút nhấn ON/OFF, có mạch tự giữ.

- Nguyên lý: Cấp nguồn trực tiếp, an toàn nhờ điều khiển từ xa qua nút nhấn.
- Steps: Nối L1-L3 vào CB → contactor (L1, L2, L3) → Rơ le nhiệt (T1, T2, T3) → Động cơ (U, V, W). Nút ON hút coil K, nút OFF ngắt.
- Test: Đo điện áp 3 pha tại T1-T3 = 380V khi contactor hút.
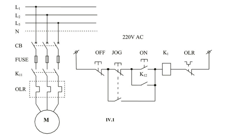
2. Mạch động cơ 3 pha có thử nháp (JOG)
Mạch này thêm một nút JOG (nút nhấn kép NO/NC) để chạy thử động cơ. Khi nhấn JOG, động cơ chạy; thả tay, động cơ dừng ngay lập tức (không qua mạch tự giữ).

- Nguyên lý: Thêm nút JOG (thường là nút nhấn kép NO/NC) để chạy thử động cơ từng chút một.
- Steps: Thêm nút JOG song song với nút ON, nối tiếp điểm NO của JOG vào cuộn coil. Nhấn JOG → động cơ chạy tạm, thả tay → động cơ dừng (không qua mạch duy trì).
- Test: Giữ JOG 5s, đo tốc độ động cơ. Thả tay, động cơ phải dừng ngay.
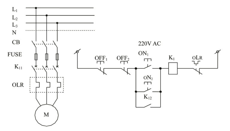
3. Mạch điều khiển động cơ từ 2 vị trí
Cho phép điều khiển một động cơ từ hai nơi khác nhau, bằng cách đấu 2 nút ON song song với nhau và 2 nút OFF nối tiếp với nhau trong mạch điều khiển.

- Nguyên lý: Điều khiển một động cơ từ hai nơi khác nhau.
- Steps: Nối 2 nút ON song song với nhau. Nối 2 nút OFF nối tiếp với nhau. Cả cụm này nối vào mạch điều khiển coil.
- Test: Bật ở vị trí 1, tắt ở vị trí 2 (và ngược lại).
4. Mạch động cơ lồng sóc đấu cuộn kháng
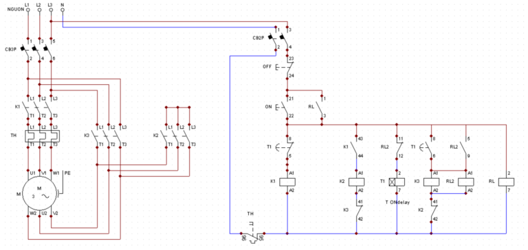
Giảm dòng khởi động bằng cách nối tiếp một cuộn kháng 3 pha vào stato. Sau một thời gian (cài đặt qua RTZ), một contactor phụ sẽ đóng để nối tắt (bypass) cuộn kháng, cho động cơ chạy 100% công suất.

- Nguyên lý: Giảm dòng khởi động bằng cách nối tiếp cuộn kháng 3 pha vào stato khi khởi động.
- Steps: Nối cuộn kháng series với stato. Contactor chính (K1) cấp nguồn, contactor phụ (K2) sẽ bypass (loại bỏ) cuộn kháng sau một thời gian (cài đặt qua RTZ).
- Test: Dùng ampe kìm đo dòng khởi động, phải < 5 lần dòng định mức.
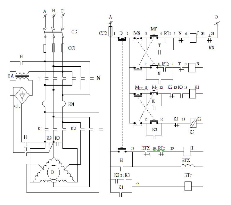
5. Mạch khởi động sao – tam giác (Star-Delta)
Giúp giảm dòng khởi động xuống còn 1/3. Ban đầu, 3 contactor (K-Main, K-Sao) sẽ đóng để động cơ chạy ở chế độ Sao (giảm áp). Sau 5-10s (do RTZ), contactor K-Sao nhả ra và K-Tam giác đóng vào.

- Nguyên lý: Giảm dòng khởi động xuống còn 1/3. Ban đầu, động cơ chạy ở chế độ Sao (K1) để giảm áp. Sau 5-10s (do RTZ), mạch chuyển sang Tam giác (K2) để chạy đúng công suất.
- Steps: Cần 3 contactor (K-Main, K1-Sao, K2-Tam giác) và 1 RTZ. Đấu 6 đầu dây động cơ (U1, V1, W1 và W2, U2, V2).
- Test: Đo dòng khi chạy Sao (thấp) và dòng khi chuyển qua Tam giác (ổn định).
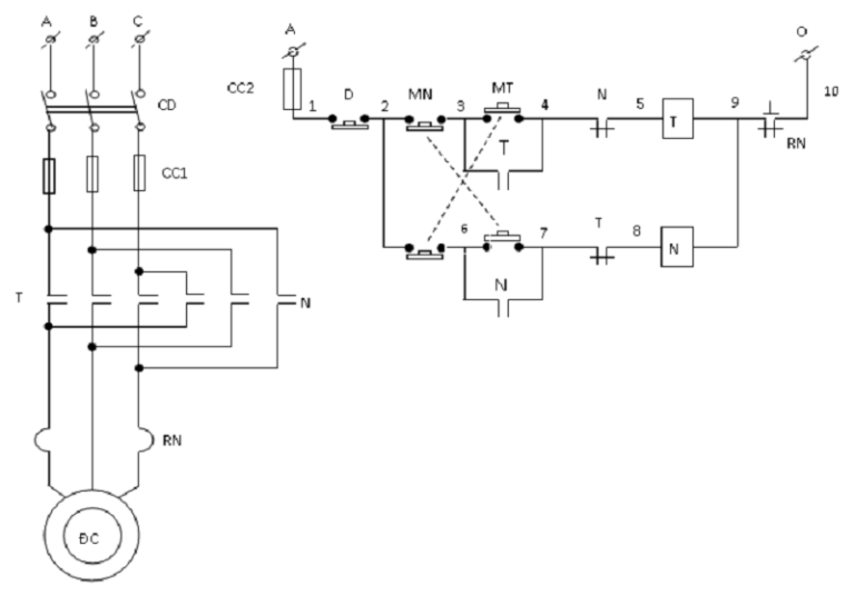
6. Mạch động cơ 3 pha đảo chiều
Sử dụng khởi động từ kép (2 contactor T và N có khóa chéo). Contactor N sẽ đảo 2 trong 3 pha cấp vào động cơ (ví dụ L2 và L3), làm động cơ quay ngược chiều so với contactor T.

- Nguyên lý: Dùng khởi động từ kép, đảo 2 trong 3 pha cấp vào động cơ.
- Steps: Nối Contactor T (thuận: L1-U, L2-V, L3-W). Nối Contactor N (nghịch: L1-U, L2-W, L3-V). Phải có khóa chéo cơ và điện (tiếp điểm NC) giữa T và N.
- Test: Chạy thuận 10s, nhấn dừng, nhấn đảo chiều → động cơ phải quay ngược lại.
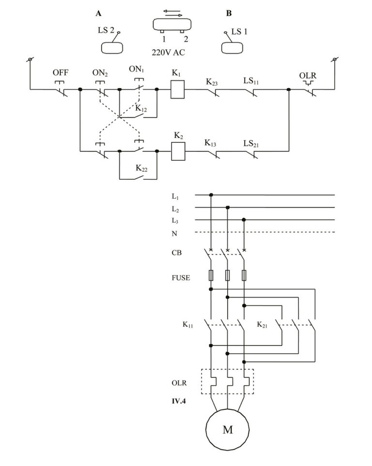
7. Mạch tự động giới hạn hành trình
Dùng cho cơ cấu nâng hạ hoặc cửa cuốn. Mạch này thêm 2 công tắc hành trình (tiếp điểm NC) nối tiếp vào mạch điều khiển của contactor Thuận và Nghịch để tự ngắt khi tải chạm vào công tắc.

- Nguyên lý: Dùng cho cơ cấu nâng hạ, cửa cuốn. Tự ngắt khi đạt vị trí mong muốn.
- Steps: Thêm 2 công tắc hành trình (NC) nối tiếp vào mạch điều khiển của coil T (hành trình lên) và coil N (hành trình xuống).
- Test: Cho tải di chuyển. Khi chạm vào công tắc hành trình, contactor tương ứng phải nhả ngay lập tức.
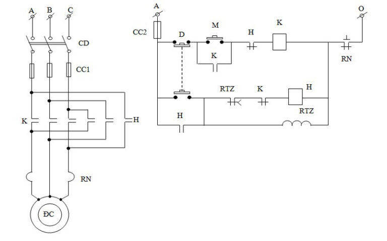
8. Mạch hãm ngược (Plugging)
Sử dụng KĐT kép. Khi nhấn Dừng, mạch sẽ tự động kích hoạt contactor Nghịch (N) trong một thời gian ngắn (do RTZ cài đặt, khoảng 2-3s) để cấp điện ngược chiều, tạo lực hãm động cơ.

- Nguyên lý: Dùng KĐT kép. Khi nhấn dừng, mạch tự động cấp điện ngược chiều trong một thời gian ngắn (do RTZ) để hãm động cơ.
- Steps: Nhấn nút Dừng → Kích hoạt RTZ → RTZ đóng tiếp điểm cấp nguồn cho contactor Nghịch (N) trong 2-3s để hãm.
- Test: Cho động cơ chạy và nhấn dừng. Đo thời gian dừng phải < 5s (nhanh hơn dừng tự nhiên).
9. Mạch hãm động năng
Khi nhấn Dừng, mạch ngắt nguồn AC khỏi động cơ và dùng một contactor phụ (K-DC) để “tiêm” một dòng điện DC (từ bộ chỉnh lưu) vào 2 pha của stato, tạo ra từ trường đứng hãm rotor.

- Nguyên lý: Ngắt nguồn AC khỏi stato và “tiêm” một dòng điện DC vào 2 pha để tạo từ trường đứng, hãm từ trường.
- Steps: Thêm bộ chỉnh lưu (Rectifier) tạo nguồn DC và 1 contactor (K-DC) để chuyển đổi. Khi nhấn Dừng, ngắt K-Main và đóng K-DC.
- Test: Đo điện áp DC cấp vào stato (khoảng 50-100V) khi hãm.
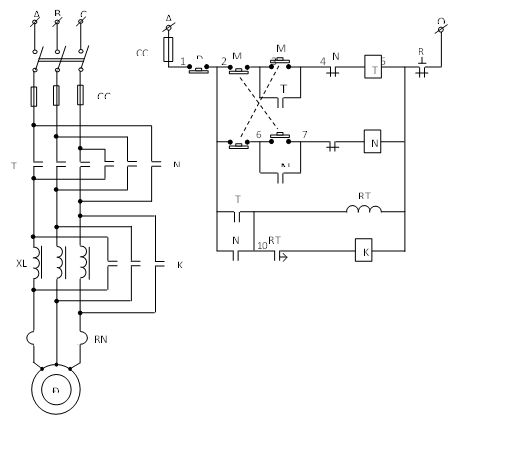
10. Mạch động cơ 2 cấp tốc độ (Sao – Tam giác kép)
Dùng cho động cơ đặc biệt có 2 cuộn dây riêng biệt (hoặc động cơ Dahlander). Sử dụng 2 contactor (K1, K2) liên động chéo, K1 cấp nguồn cho cuộn tốc độ thấp (nối Sao) và K2 cấp cho cuộn tốc độ cao (nối Tam giác).

- Nguyên lý: Dùng cho động cơ 3 pha có 2 cuộn dây riêng biệt (hoặc động cơ Dahlander) để chạy 2 tốc độ.
- Steps: Chọn K1 (nối Sao) cho tốc độ thấp. Chọn K2 (nối Tam giác) cho tốc độ cao. Cần liên động chéo.
- Test: Chuyển cấp tốc độ, dùng đồng hồ đo RPM (vòng/phút) để xác nhận.
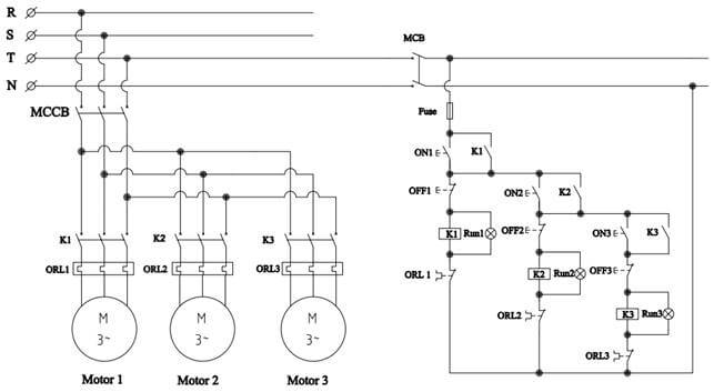
11. Mạch mở máy động cơ theo thứ tự
Dùng cho dây chuyền sản xuất. Khi K1 hút, tiếp điểm phụ NO của K1 cấp nguồn cho RTZ1. RTZ1 đếm giờ rồi cấp nguồn cho K2. Tiếp điểm phụ của K2 cấp nguồn cho RTZ2, và cứ thế tiếp diễn.

- Nguyên lý: Khởi động tuần tự cho dây chuyền sản xuất (e.g., ĐC 1 chạy → 5s sau ĐC 2 chạy…).
- Steps: Contactor K1 hút → tiếp điểm phụ NO của K1 cấp nguồn cho RTZ1 → RTZ1 đếm giờ, đóng tiếp điểm cấp nguồn cho K2. Lặp lại cho K3.
- Test: Bật hệ thống. Quan sát các động cơ khởi động đúng thứ tự và thời gian delay.
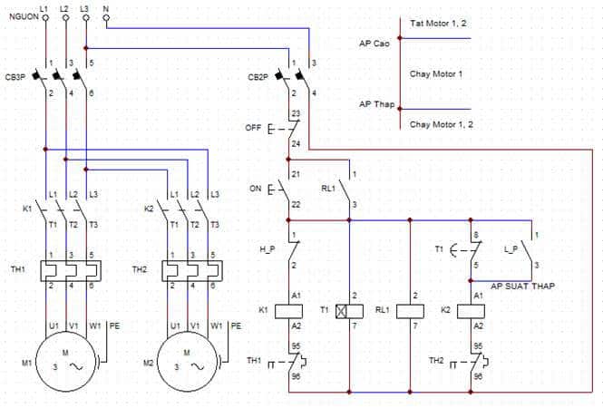
12. Mạch 2 động cơ chạy luân phiên
Dùng cho hệ thống bơm hoặc máy nén khí. Mạch sử dụng một Rơ le thời gian (Timer) đặt chế độ luân phiên (ví dụ 1 giờ K1 chạy, 1 giờ K2 chạy) để giảm mài mòn và đảm bảo cả hai động cơ đều hoạt động.

- Nguyên lý: Dùng cho bơm nước, máy nén khí. Luân phiên K1 và K2 để giảm mòn, tăng công suất khi cần.
- Steps: Sử dụng 1 Timer (Rơ le thời gian) đặt chế độ luân phiên (e.g., 1 giờ K1 chạy, 1 giờ K2 chạy).
- Test: Cho chạy 2-3 giờ, quan sát 2 động cơ tự động đổi phiên.
13. Mạch động cơ chính – phụ (Dự phòng)
Đảm bảo hệ thống luôn hoạt động. Khi động cơ Chính (K1) gặp sự cố (Rơ le nhiệt RN1 nhảy), tiếp điểm NC của RN1 sẽ đóng lại, cấp nguồn kích hoạt cuộn coil K2 của động cơ Phụ tự động chạy.

- Nguyên lý: Tự động chuyển sang động cơ dự phòng (Phụ) khi động cơ Chính hỏng (phát hiện qua Rơ le nhiệt).
- Steps: Tiếp điểm NC của Rơ le nhiệt RN1 (chính) ngắt → kích hoạt cuộn coil K2 (phụ) chạy.
- Test: Giả lập lỗi (nhấn nút Test trên RN1), động cơ phụ phải tự động bật.
14. Mạch động cơ tự động chuyển nguồn (ATS)
Sử dụng 2 contactor (K-Lưới, K-Phát) có liên động chéo. Một Rơ le giám sát nguồn sẽ theo dõi nguồn chính. Khi mất nguồn từ trạm biến áp, K-Lưới nhả ra, K-Phát (máy phát) sẽ tự động hút vào.

- Nguyên lý: Tự động chuyển nguồn (e.g., từ lưới sang máy phát) khi mất nguồn chính. Thường dùng khi có sự cố từ trạm biến áp chính.
- Steps: Dùng 2 contactor (K-Lưới, K-Phát) liên động chéo. Một Rơ le giám sát nguồn sẽ điều khiển. Mất nguồn lưới → K-Lưới nhả → K-Phát hút.
- Test: Cắt nguồn chính (CB tổng), kiểm tra thời gian chuyển mạch (<10s).
🛠️ Hướng Dẫn Lắp Đặt Thực Tế An Toàn
Quy trình chuẩn gồm 5 bước: (1) Chuẩn bị vật tư (tủ, CB, contactor), (2) Nối mạch động lực 3 pha (L1-L3), (3) Nối mạch điều khiển (220V qua nút nhấn), (4) Kiểm tra (Test nguội, Test nóng), và (5) Luôn tuân thủ an toàn điện (PPE, IEC 60364).
- Chuẩn bị: Tủ điện IP54, Aptomat tổng, dây AWG 14-16 (1.5-2.5mm²), contactor có định mức dòng cao hơn dòng động cơ 1.5 lần, Rơ le nhiệt, nút nhấn, đèn báo. Các thiết bị này thường được gá trên din rail và kết nối với thanh cái busbar trong tủ điện tổng.
- Nối mạch động lực: Đi dây L1-L3 (3 pha) qua CB tổng → Tiếp điểm chính (L1,L2,L3) của Contactor → Rơ le nhiệt (T1,T2,T3) → Động cơ.
- Nối mạch điều khiển: Lấy nguồn 1 pha 220V (thường là L1 và N) → Cầu chì CC → Nút Dừng (OFF – tiếp điểm NC) → Nút Mở (ON – tiếp điểm NO) → Cuộn coil contactor (A1). Chân (A2) của coil về N. Nối tiếp điểm phụ NO (13-14) của contactor song song với nút ON để duy trì.
- Test (Kiểm tra):
- Test nguội: Tắt nguồn. Đo thông mạch, đo trở cách điện (phải > 1MΩ). Kiểm tra kỹ liên động chéo (với mạch kép). Tham khảo 3 giải pháp giám sát cách điện để đảm bảo an toàn.
- Test nóng: Chạy không tải 5 phút. Kiểm tra nhiệt độ (<60°C). Sử dụng dịch vụ scan nhiệt tủ điện để có kết quả chính xác nhất. Đây là một phần quan trọng trong quy trình bảo trì tủ điện hạ thế.
- An toàn: Luôn tắt nguồn trước khi đấu nối. Dùng đồ bảo hộ (PPE). Tuân thủ tiêu chuẩn IEC 60364.
⚠️ Lỗi Thường Gặp Và Khắc Phục
Các lỗi phổ biến nhất bao gồm: Contactor không hút (kiểm tra coil và nguồn 220V), contactor kêu rè (do bẩn hoặc điện áp thấp), cháy/dính tiếp điểm (do quá tải, đấu lỏng), và contactor quá nóng (do tải cao, linh kiện kém).
| Lỗi | Nguyên nhân | Khắc phục |
|---|---|---|
| Contactor không hút | Cháy cuộn coil, mất nguồn điều khiển, hỏng nút nhấn. | Đo điện áp A1-A2 (phải = 220V). Đo trở coil (200-500Ω), nếu vô hạn là cháy. Kiểm tra thông mạch nút nhấn. |
| Tiếng kêu “rè rè” | Lõi thép bị bẩn, kẹt bụi, điện áp cấp cho coil thấp. | Tắt điện, vệ sinh lõi thép. Kiểm tra điện áp nguồn điều khiển. |
| Cháy, dính tiếp điểm | Quá tải liên tục, đấu nối lỏng lẻo (move), hồ quang điện. | Thay thế tiếp điểm. Siết chặt ốc. Chọn contactor có dòng định mức cao hơn. |
| Nút nhấn không nhả | Bụi bẩn hoặc mòn cơ khí. | Vệ sinh, xịt RP7 hoặc thay nút nhấn mới. |
| Contactor quá nóng | Tải quá nặng, linh kiện kém chất lượng, môi trường quá nóng. | Chọn contactor chính hãng (e.g., Schneider, ABB). Giảm tải. Đây là dấu hiệu cần bảo trì hệ thống điện định kỳ. |
*Nếu sự cố phức tạp hoặc không tự tin, hãy liên hệ ngay dịch vụ sửa tủ điện công nghiệp chuyên nghiệp.*
❓ Câu Hỏi Thường Gặp (FAQ)
Các câu hỏi thường gặp tập trung vào cách đấu nối mạch đơn (cơ bản), khi nào bắt buộc dùng mạch kép (đảo chiều), cách khắc phục lỗi contactor không hút (kiểm tra nguồn và coil), và các cập nhật mới nhất (IoT, smart contactor).
Câu 1: Cách đấu khởi động từ đơn cơ bản nhất?
Nối nguồn 3 pha L1-L3 qua contactor → Rơ le nhiệt → động cơ. Mạch điều khiển lấy 1 pha (220V) qua Nút Dừng (NC) rồi qua Nút Mở (NO) cấp vào cuộn coil (A1, A2).
Câu 2: Khi nào bắt buộc dùng khởi động từ kép?
Khi cần đảo chiều quay động cơ 3 pha, ví dụ như trong băng chuyền 2 chiều, tời nâng, hoặc cơ cấu cổng tự động.
Câu 3: Làm sao khắc phục contactor không hút khi đã nhấn ON?
Kiểm tra 3 điểm: 1. Nguồn điều khiển (đo điện áp tại A1-A2). 2. Cuộn coil (đo điện trở). 3. Mạch điều khiển (kiểm tra thông mạch nút Dừng và nút Mở).
Câu 4: Các cập nhật mới nhất năm 2025 về contactor là gì?
Xu hướng là tích hợp IoT để giám sát từ xa (dòng, nhiệt độ), contactor thông minh (smart contactor) và vật liệu chống cháy, tuân thủ các tiêu chuẩn an toàn IEC cao hơn.
Câu 5: Chi phí lắp đặt 14 mạch này là bao nhiêu?
Chi phí phụ thuộc rất lớn vào quy mô, công suất động cơ và thương hiệu linh kiện. Một hệ thống chuyên nghiệp có thể dao động từ 5 triệu đến 20 triệu VND. Hãy liên hệ nhà cung cấp để có báo giá chính xác.
(Bài viết cập nhật tháng 11/2025. Thông tin tổng hợp từ các nguồn kỹ thuật uy tín và không thay thế tư vấn từ chuyên gia. Để đảm bảo an toàn, việc lắp đặt phải được thực hiện bởi thợ điện có chứng chỉ.)
Để đảm bảo an toàn và hiệu suất tối ưu cho toàn bộ hệ thống của bạn, hãy liên hệ với các chuyên gia tại KTH Electric để được tư vấn và đánh giá hệ thống điện một cách chuyên nghiệp nhất.

Ông Đỗ Tấn Quân là người trực tiếp phụ trách toàn bộ nội dung trên website kth-electric.com. Các bài viết được xây dựng từ nguồn kiến thức chuyên sâu, kết hợp giữa tài liệu tham khảo uy tín (có trích dẫn cụ thể) và kinh nghiệm thực tiễn dày dặn của ông. Vì vậy, bạn đọc có thể hoàn toàn tin tưởng vào tính chính xác và độ tin cậy của thông tin, đảm bảo mỗi nội dung chia sẻ đều mang lại giá trị tham khảo hữu ích và đáng tin cậy.
English
