14 Sơ Đồ Mạch Khởi Động Từ Đơn & Kép: Nguyên Lý, Đấu Nối & Ứng Dụng Thực Tế
Khởi động từ (Contactor) là khí cụ điện cốt lõi trong điện công nghiệp, đóng vai trò trung tâm trong việc điều khiển, đóng ngắt và bảo vệ động cơ điện. Chúng là thành phần không thể thiếu trong mọi tủ điện và các hệ thống điện hạ thế.
Việc lắp đặt đúng các mạch này không chỉ đảm bảo động cơ vận hành ổn định mà còn là yếu tố then chốt cho an toàn điện. Bài viết này sẽ cung cấp hướng dẫn chi tiết 14 mạch khởi động từ đơn và kép phổ biến nhất, từ lý thuyết đến các bước thực hành đấu nối chuẩn IEC.
Để bắt đầu, hãy đảm bảo bạn đã chọn linh kiện phù hợp (contactor 9-100A, điện áp 220V/380V) và kiểm tra nguồn điện ổn định. Các ký hiệu linh kiện chính bao gồm:
- CB/MCCB: Cầu dao ngắt mạch (thường gọi là Aptomat).
- CC1/CC2: Cầu chì bảo vệ mạch điều khiển.
- D (Stop): Nút dừng khẩn cấp (NC).
- MT/MN (Start): Nút mở Thuận / Nghịch (NO).
- K (hoặc T/N): Contactor Thuận / Nghịch.
- RTZ (Timer): Rơ le thời gian.
- K1/K2: Contactor Sao / Tam giác.
- RN (OLR): Rơ le nhiệt (bảo vệ quá tải).
💡 Phân Biệt Khởi Động Từ Đơn Và Kép
Khởi động từ đơn dùng 1 contactor để đóng/ngắt, phù hợp cho động cơ 1 chiều quay. Trong khi đó, khởi động từ kép dùng 2 contactor liên động (khóa chéo) để thực hiện chức năng đảo chiều quay động cơ.
Khởi động từ đơn: Sử dụng 1 contactor duy nhất để đóng/ngắt mạch điện, cấp nguồn cho động cơ. Đây là mạch cơ bản nhất, phù hợp cho động cơ 1 chiều quay (ví dụ: bơm, quạt) với công suất thường dưới 10kW.
Khởi động từ kép: Là sự kết hợp của 2 contactor được liên động cơ học (sử dụng tiếp điểm phụ NO/NC chéo) để ngăn cả hai cùng hút. Mạch này chuyên dùng để đảo chiều quay động cơ 3 pha.
Bảng So Sánh Nhanh
| Đặc điểm | Khởi Động Từ Đơn | Khởi Động Từ Kép |
|---|---|---|
| Số contactor | 1 | 2 (liên động cơ khí & điện) |
| Chức năng chính | Đóng/ngắt mạch | Đóng/ngắt + Đảo chiều quay |
| Ứng dụng | Mạch cơ bản, an toàn cao | Đổi chiều quay băng tải, cầu trục, thi công điện nhà xưởng |
| Chi phí | Thấp hơn | Cao hơn do cần bộ liên động |
| Dòng điện | 9-40A (phổ biến) | 9-100A, giảm nóng tiếp điểm |
⚙️ Nguyên Lý Hoạt Động Cốt Lõi
KĐT đơn dùng từ trường cuộn coil để hút lõi thép, đóng tiếp điểm chính. KĐT kép sử dụng 2 contactor (Thuận/Nghịch) liên động chéo; khi một contactor hút, nó sẽ đảo 2 trong 3 pha điện và đồng thời ngắt contactor còn lại.
1. Khởi Động Từ Đơn
Khi cấp dòng điện xoay chiều (AC) (220V hoặc 380V) vào cuộn coil (A1-A2) của contactor, một từ trường được sinh ra. Từ trường này hút lõi thép di động, làm đóng các tiếp điểm chính (L1-L3 vào T1-T3), cấp nguồn cho động cơ. Đồng thời, tiếp điểm phụ NO (thường 13-14) đóng lại để duy trì nguồn cho cuộn coil khi nhả nút nhấn ON. Mạch sẽ bị ngắt khi nhấn nút D (Stop) hoặc khi Rơ le nhiệt (RN) nhảy do quá tải.
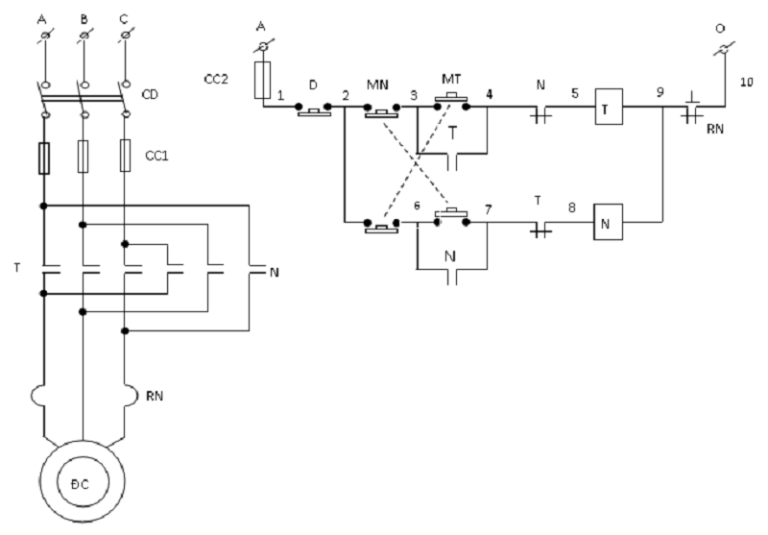
2. Khởi Động Từ Kép (Đảo Chiều)
Nguyên lý này là nền tảng cho các giải pháp giám sát động cơ phức tạp.
- Chạy thuận: Nhấn nút MT → cuộn coil T hút, đóng tiếp điểm chính T, cấp điện 3 pha (L1-U, L2-V, L3-W) cho động cơ quay thuận. Tiếp điểm phụ NO của T đóng lại để duy trì.
- Chạy nghịch: Nhấn nút MN → cuộn coil N hút (lúc này T đã nhả nhờ liên động). Contactor N đảo 2 trong 3 pha cấp vào động cơ (e.g., L1-U, L2-W, L3-V). Động cơ quay ngược chiều.
- Rơ le nhiệt RN sẽ ngắt toàn bộ mạch điều khiển (cả T và N) nếu phát hiện quá tải.
14 Mạch Khởi Động Từ Phổ Biến (Kèm Hướng Dẫn Lắp Đặt)
Dưới đây là 14 sơ đồ mạch từ cơ bản (contactor đơn, JOG) đến phức tạp (sao-tam giác, đảo chiều, hãm ngược, 2 tốc độ, chạy luân phiên, ATS) kèm theo các bước lắp đặt và kiểm tra thực tế.
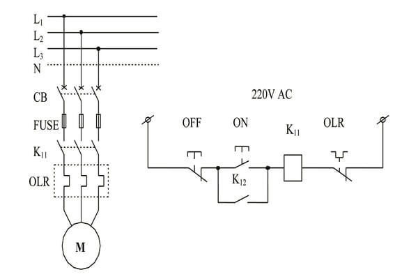
1. Mạch động cơ 3 pha dùng contactor đơn (Direct On Line – DOL)
Đây là mạch “vỡ lòng” và phổ biến nhất. Dùng 1 contactor (K) và Rơ le nhiệt (RN) để đóng/ngắt trực tiếp.
Chuyên viên tư vấn & Báo giá
Ms. Khuyên Bùi

Mục lục
Toggle- Nguyên lý: Nhấn ON -> Cuộn K hút -> Động cơ chạy. Nhả ON -> Tiếp điểm duy trì K(13-14) giữ điện. Nhấn OFF -> Ngắt điện -> Động cơ dừng.
- Thi công: Nối L1-L3 vào CB → contactor (L1, L2, L3) → Rơ le nhiệt (T1, T2, T3) → Động cơ (U, V, W).
- Test: Đo điện áp 3 pha tại T1-T3 = 380V khi contactor hút.
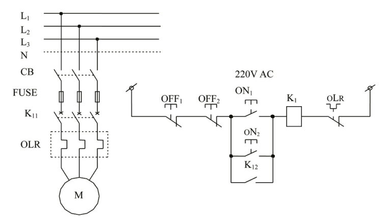
2. Mạch động cơ 3 pha có thử nháp (JOG/Inching)
Mạch này thêm chức năng “nhấp” để kiểm tra chiều quay hoặc vị trí trục động cơ.

- Nguyên lý: Nút JOG là loại nút nhấn kép (vừa có tiếp điểm NO vừa có NC). Khi nhấn JOG, dòng điện đi thẳng vào cuộn coil nhưng ngắt đường duy trì. Thả tay ra, động cơ dừng ngay.
- Thi công: Thêm nút JOG song song với nút ON, nhưng ngắt đường tự giữ (13-14).
3. Mạch điều khiển động cơ từ 2 vị trí (Local/Remote)
Dùng khi cần điều khiển máy vừa tại chỗ (tại tủ), vừa từ xa (phòng điều khiển).

- Nguyên lý: Mắc song song các nút ON (ON1 // ON2) và mắc nối tiếp các nút OFF (OFF1 nt OFF2).
- Lưu ý: Cần tính toán sụt áp đường dây nếu vị trí điều khiển quá xa (>100m).
4. Mạch động cơ lồng sóc đấu cuộn kháng
Phương pháp giảm dòng khởi động cổ điển, dùng cho động cơ công suất lớn.

- Nguyên lý: Ban đầu dòng điện đi qua cuộn kháng để giảm áp. Sau thời gian T, contactor Bypass đóng lại để nối tắt cuộn kháng, cấp 100% điện áp lưới.
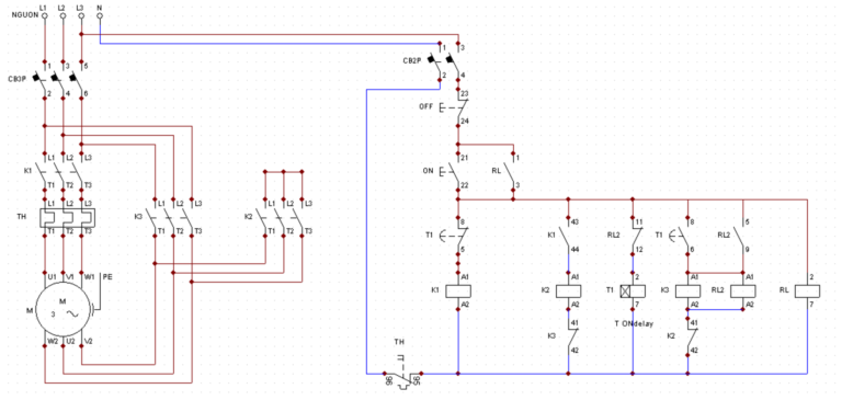
5. Mạch khởi động sao – tam giác (Star-Delta)
“Huyền thoại” trong công nghiệp cho động cơ 11kW – 110kW.

- Nguyên lý: Khởi động chế độ Sao (Y) để giảm dòng xuống 1/3. Sau 5-10s chuyển sang Tam giác (Δ) để chạy đủ tải.
- Lưu ý sống còn: Chỉ áp dụng cho động cơ có thông số 380/660V. Động cơ 220/380V đấu mạch này sẽ cháy ngay lập tức.
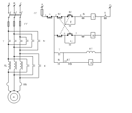
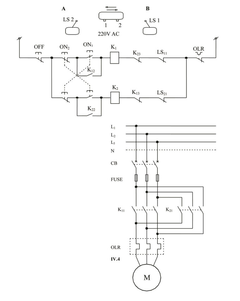
6. Mạch động cơ 3 pha đảo chiều (Reversing)
Dùng cho cửa cuốn, cầu trục, băng tải 2 chiều.

- Nguyên lý: Contactor Thuận (T) đấu thứ tự L1-L2-L3. Contactor Nghịch (N) đấu đảo 2 pha (ví dụ L1-L3-L2).
- An toàn: Bắt buộc có Khóa liên động (Interlock) để tránh ngắn mạch 2 pha gây nổ tủ điện.
7. Mạch tự động giới hạn hành trình
Ứng dụng cho thang máy hàng, cửa cổng tự động.

- Nguyên lý: Mắc nối tiếp tiếp điểm thường đóng (NC) của công tắc hành trình vào mạch điều khiển contactor. Khi chạm hành trình -> Ngắt mạch -> Dừng động cơ.
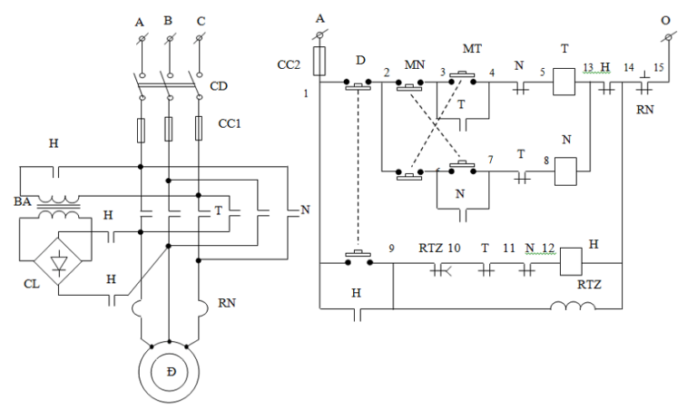
8. Mạch hãm ngược (Plugging)
Dùng để dừng khẩn cấp các máy có quán tính lớn.

- Nguyên lý: Khi nhấn STOP, mạch tự động cấp điện ngược chiều trong tích tắc để tạo momen hãm, giúp động cơ dừng nhanh.
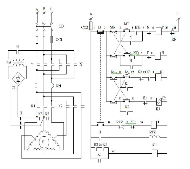
9. Mạch hãm động năng (Dynamic Braking)
An toàn hơn hãm ngược, dùng cho máy cưa, máy cắt.

- Nguyên lý: Cắt nguồn AC, bơm dòng DC vào cuộn dây stato để tạo từ trường tĩnh, hãm rotor lại êm ái.
10. Mạch động cơ 2 cấp tốc độ (Dahlander)
Dùng cho quạt thông gió công nghiệp (2 cấp gió).

- Nguyên lý: Thay đổi số cực từ (P) bằng cách thay đổi cách đấu dây (Tam giác/Sao kép) để thay đổi tốc độ quay.
11. Mạch mở máy động cơ theo thứ tự (Sequential Start)
Bắt buộc cho băng chuyền: Băng tải cuối chạy trước, băng tải đầu chạy sau để tránh ùn tắc.

- Nguyên lý: Lấy tiếp điểm thường mở của Contactor 1 cấp nguồn cho nút nhấn của Contactor 2.
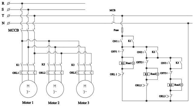
12. Mạch 2 động cơ chạy luân phiên
Tăng tuổi thọ cho hệ thống bơm sinh hoạt.

- Nguyên lý: Sử dụng Timer hoặc Rơ le luân phiên (Latch Relay) để tự động đảo bơm sau mỗi chu kỳ hoặc thời gian cài đặt.
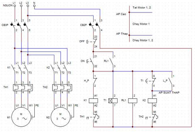
13. Mạch động cơ chính – phụ (Dự phòng)
Đảm bảo hệ thống không bao giờ dừng (Zero Downtime).

- Nguyên lý: Khi động cơ chính lỗi (Rơ le nhiệt nhảy), tiếp điểm báo lỗi sẽ tự động kích hoạt contactor của động cơ phụ.
14. Mạch động cơ tự động chuyển nguồn (ATS)
Tự động chuyển sang máy phát khi mất điện lưới.

- Nguyên lý: Sử dụng 2 contactor có khóa liên động cơ khí và điện. Rơ le bảo vệ điện áp sẽ giám sát nguồn lưới, khi mất pha/sụt áp sẽ nhả K-Lưới và đóng K-Máy phát.
⚠️ Lỗi Thường Gặp Và Khắc Phục (Troubleshooting)
Tổng hợp kinh nghiệm xương máu 20 năm làm nghề để xử lý các sự cố contactor: không hút, kêu rè, dính tiếp điểm.
| Lỗi | Nguyên nhân | Khắc phục |
|---|---|---|
| Contactor không hút | Cháy cuộn coil, mất nguồn điều khiển, hỏng nút nhấn. | Đo điện áp A1-A2 (phải = 220V). Đo trở coil (200-500Ω). Kiểm tra cầu chì. |
| Tiếng kêu “rè rè” | Lõi thép bị bẩn, rỉ sét, điện áp thấp, vòng ngắn mạch bị đứt. | Vệ sinh mặt tiếp xúc lõi thép. Kiểm tra điện áp nguồn. |
| Cháy, dính tiếp điểm | Quá tải liên tục, lò xo yếu, hồ quang điện lớn. | Thay bộ tiếp điểm mới hoặc thay contactor có dòng lớn hơn. |
| Contactor quá nóng | Tiếp xúc kém (lỏng ốc), dây dẫn quá nhỏ. | Siết chặt ốc vít. Kiểm tra lại tiết diện dây dẫn. Đây là dấu hiệu cần bảo trì hệ thống điện ngay. |
Nếu sự cố phức tạp, hãy liên hệ ngay dịch vụ sửa tủ điện công nghiệp chuyên nghiệp của KTH Electric.
❓ Câu Hỏi Thường Gặp (FAQ)
Câu 1: Tôi nên dùng mạch Sao-Tam giác hay Biến tần? Sao-Tam giác rẻ, bền, dễ sửa nhưng dòng khởi động vẫn cao (gấp 2-3 lần). Biến tần đắt hơn nhưng điều khiển êm ái, tiết kiệm điện và bảo vệ động cơ tốt hơn.
Câu 2: Làm sao để chọn contactor cho mạch đảo chiều? Chọn 2 contactor giống nhau, dòng định mức lớn hơn dòng làm việc của động cơ khoảng 1.2 – 1.5 lần. Bắt buộc mua thêm bộ khóa liên động cơ khí.
Câu 3: Tại sao contactor hay bị hỏng cuộn hút? Thường do điện áp điều khiển không ổn định (quá cao hoặc quá thấp) hoặc cuộn hút bị ẩm ướt, ngắn mạch vòng dây.
Để đảm bảo an toàn và hiệu suất tối ưu cho toàn bộ hệ thống của bạn, hãy liên hệ với các chuyên gia tại KTH Electric để được tư vấn và đánh giá hệ thống điện một cách chuyên nghiệp nhất.

Ông Đỗ Tấn Tuấn là người trực tiếp phụ trách toàn bộ nội dung trên website kth-electric.com. Các bài viết được xây dựng từ nguồn kiến thức chuyên sâu, kết hợp giữa tài liệu tham khảo uy tín (có trích dẫn cụ thể) và kinh nghiệm thực tiễn dày dặn của ông. Vì vậy, bạn đọc có thể hoàn toàn tin tưởng vào tính chính xác và độ tin cậy của thông tin, đảm bảo mỗi nội dung chia sẻ đều mang lại giá trị tham khảo hữu ích và đáng tin cậy.

