Thí nghiệm đo tổn hao không tải (P₀) và dòng điện không tải (I₀) là một trong những hạng mục quan trọng bậc nhất của Dịch vụ Thử nghiệm Điện. Đây là phép thử cốt lõi, không thể thiếu để đánh giá “sức khỏe” của lõi thép, phát hiện sớm các khuyết tật và đảm bảo máy biến áp (MBA) vận hành an toàn, hiệu quả.
Bài viết này sẽ phân tích chi tiết quy trình, phương pháp và cách đánh giá kết quả chuẩn kỹ thuật, giúp bạn hiểu rõ tầm quan trọng của phép đo này.

Mục Đích Cốt Lõi Của Thí Nghiệm P₀ và I₀
Thí nghiệm P₀ và I₀ dùng để xác định tổn hao không tải (tổn thất sắt) và dòng điện không tải, qua đó đánh giá chất lượng lõi thép và phát hiện sớm các hư hỏng nghiêm trọng (như chạm chập) bên trong máy biến áp.
Thực hiện thí nghiệm này nhằm đạt được các mục tiêu chính sau:
- Xác định chính xác giá trị Tổn hao Không Tải (P₀) và Dòng điện Không Tải (I₀) của MBA.
- Phát hiện sớm các hư hỏng nghiêm trọng bên trong MBA như chạm chập các lá thép lõi, khuyết tật ở gông từ, hoặc chạm chập vòng dây.
- Đánh giá chất lượng lõi thép: P₀ (còn gọi là tổn thất sắt) là một trong các loại tổn thất trong máy biến áp và bao gồm tổn thất do từ trễ và dòng xoáy. Phép đo này trực tiếp phản ánh tình trạng lõi thép.
- Đây là hạng mục bắt buộc trong quy trình Bảo trì máy biến áp định kỳ hoặc nghiệm thu trước khi vận hành.
Yêu Cầu Kỹ Thuật Và Biện Pháp An Toàn
Thí nghiệm này bắt buộc cho MBA
(theo TCVN/IEC) hoặc khi dầu không đạt chuẩn. Phải thực hiện trước các phép đo DC (đo điện trở, cách điện) và cần cô lập MBA hoàn toàn, đặc biệt cảnh giác dòng cảm ứng nguy hiểm ở cuộn cao áp.
Để đảm bảo tính chính xác và an toàn, thí nghiệm cần tuân thủ nghiêm ngặt các yêu cầu dưới đây.
Yêu cầu Kỹ thuật
Phải đo P₀/I₀ trước khi đo DC để tránh từ dư trong lõi thép làm sai số I₀. Điện áp thử được đưa vào cuộn hạ áp (thường là 380V hoặc theo biên bản xuất xưởng) và phải thực hiện khi lắp mới, đại tu, hoặc định kỳ.
- Phạm vi áp dụng: Bắt buộc cho MBA công suất
hoặc khi kết quả kiểm tra khí dầu không đạt chuẩn (ví dụ, có dấu hiệu hỏng dầu máy biến áp). - Thứ tự ưu tiên: Phải thực hiện thí nghiệm này trước các phép đo liên quan đến dòng một chiều (DC) như đo điện trở DC, đo cách điện. Điều này nhằm tránh từ dư trong lõi thép, vốn có thể làm tăng giá trị I₀ đo được. Nếu đã có từ dư, phải tiến hành khử từ lõi thép trước.
- Sơ đồ thử: Đối với MBA ba pha, ưu tiên dùng sơ đồ điện áp thử một pha giống như tại nhà máy chế tạo.
- Điện áp thử: Đưa điện áp thử vào cuộn hạ áp (liên quan đến điện hạ thế) đúng theo biên bản xuất xưởng. Nếu không có, dùng 380V hoặc
và nội suy theo tiêu chuẩn IEC 60076-19. - Thời điểm bắt buộc: Phải thực hiện sau khi lắp đặt mới, đại tu, hoặc sau 1 năm đóng điện (tuân thủ quy định bảo dưỡng trạm biến áp).
Biện pháp An toàn
An toàn là ưu tiên hàng đầu. Phải cô lập MBA khỏi lưới, tạo vùng an toàn có rào chắn, biển báo và cử người giám sát chuyên môn, vì luôn có nguy cơ cao từ dòng cảm ứng ở cuộn cao áp hở mạch.
- Cảnh báo: Thí nghiệm này có nguy cơ cao do dòng cảm ứng ở cuộn cao áp (phía điện cao thế) ngay cả khi hở mạch. (Để hiểu rõ hơn về các cấp điện áp, bạn có thể tham khảo bài viết phân biệt điện trung thế, điện hạ thế và điện cao thế).
- Cô lập hoàn toàn MBA khỏi lưới điện.
- Tạo khoảng cách an toàn, căng dây cảnh báo và treo biển báo.
- Phải cử người giám sát có chuyên môn trong suốt quá trình thử nghiệm.
Phương Pháp Thí Nghiệm Tổn Hao Không Tải
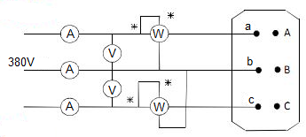
Có hai phương pháp: Đo trực tiếp bằng thiết bị chuyên dụng (như CA 8336, P-Q box) hoặc đo gián tiếp (dùng Vôn kế, Ampe kế, Watt kế). Nguyên tắc là cấp điện áp vào cuộn hạ áp và để hở mạch tất cả các cuộn còn lại.
Có hai phương pháp chính để đo lường P₀ và I₀:
- Đo trực tiếp: Sử dụng các thiết bị đo chuyên dụng như CA 8336 hoặc P-Q box. Các thiết bị này sẽ hiển thị trực tiếp giá trị I₀% và P₀%.
- Đo gián tiếp: Sử dụng kết hợp 3 thiết bị cơ bản: vôn kế (V), ampe kế (A) và công suất kế (W).
Nguyên tắc đấu nối: Điện áp được đưa vào cuộn hạ áp, trong khi tất cả các cuộn còn lại đều để hở mạch.
Lưu ý quan trọng: Khi thí nghiệm, phải tăng điện áp dần đến mức định mức và không được giảm điện áp giữa chừng. Việc giảm điện áp sẽ gây ra sai số do hiện tượng từ trễ của vật liệu.
Quy Trình Thí Nghiệm Không Tải Chi Tiết
Quy trình thực hiện bằng nguồn 3 pha (phổ biến, dùng phương pháp 2 Watt-mét) hoặc bằng nguồn 1 pha (khi không có nguồn 3 pha, hoặc để kiểm tra chi tiết từng trụ máy biến áp).
Tùy thuộc vào điều kiện nguồn cấp và loại MBA, ta có thể chọn 1 trong 2 phương pháp sau (tham khảo thêm bài so sánh máy biến áp 1 pha và 3 pha).
Thí Nghiệm Không Tải Bằng Nguồn 3 Pha
Đưa điện áp 3 pha vào cuộn hạ áp. Tổn hao P₀ được tính bằng tổng công suất 2 Watt-mét (P₀ = PAB + PBC). Dòng điện I₀ là giá trị trung bình của dòng 3 pha (I₀ = (IA + IB + IC) / 3).

Đây là phương pháp phổ biến khi thử nghiệm các máy biến áp 3 pha và có sẵn nguồn 3 pha tương ứng.
Chuyên viên tư vấn & Báo giá
Ms. Khuyên Bùi
- Đấu sơ đồ: Đưa điện áp 3 pha vào cuộn hạ áp.
- Đo công suất: Dùng phương pháp 2 Watt-mét, đo công suất giữa pha A-B (PAB) và B-C (PBC).
- Tính P₀: P₀ = PAB + PBC
- Tính I₀: Đo dòng điện 3 pha và tính giá trị trung bình: I₀ = (IA + IB + IC) / 3
- Lưu ý: Trong quá trình thí nghiệm, cần lắng nghe tiếng ồn của lõi thép. Tiếng kêu to, không đều có thể là dấu hiệu của bất thường cơ khí hoặc chạm chập lõi.
Thí Nghiệm Không Tải Bằng Nguồn 1 Pha
Phương pháp này đo P₀ và I₀ cho từng cặp pha (kiểu Y, Δ) hoặc từng pha (kiểu Y₀), sau đó dùng công thức (xem bảng) để tính tổng. Nếu điện áp thử khác định mức, phải dùng công thức quy đổi P0_dm = P₀’ × (Udm / U’)ⁿ.

Áp dụng khi không có nguồn 3 pha, hoặc để kiểm tra chi tiết từng trụ của máy biến áp 1 pha hoặc 3 pha.
| Kiểu Đấu Dây | Phương Pháp Đo | Công Thức Tính P₀ | Công Thức Tính I₀ |
|---|---|---|---|
| Cuộn đấu Y | Đo từng cặp dây: P0ab, P0ac, P0bc | P₀ = (P0ab + P0ac + P0bc) / 2 | I₀ = (I0ab + I0ac + I0bc) / 3 |
| Cuộn đấu Y₀ | Đo từng pha (có trung tính): P0a, P0b, P0c | P₀ = P0a + P0b + P0c | I₀ = (I0a + I0b + I0c) / 3 |
| Cuộn đấu Δ | Đo P0ab (ngắn bc), P0ac (ngắn ab), P0bc (ngắn ac) | P₀ = (P0ab + P0ac + P0bc) / 2 | I₀ = (I0ab + I0ac + I0bc) / 3 |
Quy đổi điện áp:
Nếu điện áp thử U’ khác điện áp định mức Udm, cần quy đổi giá trị P₀ về điều kiện định mức theo công thức:
Với n là hệ số:
(đối với thép cán nóng)
(đối với thép cán nguội)
Đánh Giá Kết Quả Thí Nghiệm P₀ và I₀
Kết quả được coi là đạt khi so sánh với giá trị xuất xưởng (theo IEC 60076-19):
• Sai số P₀: ≤ 5% (MBA 3 pha) hoặc ≤ 10% (MBA 1 pha) khi lắp mới/đại tu; ≤ 15% khi đang vận hành.
• Sai số I₀: ≤ 130% (trung bình 3 pha).
Đây là bước then chốt để xác định tình trạng của trạm biến áp và MBA dựa trên tiêu chuẩn IEC 60076-19 và giá trị xuất xưởng.
- Sai số P₀ (Sau lắp đặt/đại tu):
- MBA ba pha: Độ lệch ≤ 5% so với giá trị xuất xưởng.
- MBA một pha: Độ lệch ≤ 10% so với giá trị xuất xưởng.
- Sai số P₀ (Trong vận hành): Độ lệch ≤ 15% so với giá trị xuất xưởng.
- Sai số I₀: Dòng điện I₀ trung bình 3 pha ≤ 130% so với giá trị xuất xưởng.
- Kiểm tra MBA 3 pha (khi đo 1 pha):
- Giá trị P₀ khi ngắn pha a (nguồn bc) và ngắn pha c (nguồn ab) phải chênh lệch nhau ≤ 5%.
- Giá trị P₀ khi ngắn pha b (nguồn ac) thường lớn hơn 25% – 50% so với hai trường hợp trên. Đây là đặc tính bình thường do cấu trúc lõi từ không đối xứng.
Xử lý khi kết quả bất thường:
Nếu P₀ hoặc I₀ vượt quá các ngưỡng trên, nguyên nhân có thể là do từ dư hoặc hư hỏng lõi thép (ví dụ như phóng điện cục bộ hoặc các vấn đề về dầu). Cần tiến hành khử từ và thử lại.
Nếu kết quả vẫn bất thường, đây là dấu hiệu cảnh báo nghiêm trọng. Cần liên hệ ngay với các đơn vị Dịch vụ Bảo Trì Hệ Thống Điện chuyên nghiệp (chẳng hạn như dịch vụ bảo trì trạm biến áp) để kiểm tra sâu hơn và tránh các sự cố đáng tiếc.

Ông Đỗ Tấn Tuấn là người trực tiếp phụ trách toàn bộ nội dung trên website kth-electric.com. Các bài viết được xây dựng từ nguồn kiến thức chuyên sâu, kết hợp giữa tài liệu tham khảo uy tín (có trích dẫn cụ thể) và kinh nghiệm thực tiễn dày dặn của ông. Vì vậy, bạn đọc có thể hoàn toàn tin tưởng vào tính chính xác và độ tin cậy của thông tin, đảm bảo mỗi nội dung chia sẻ đều mang lại giá trị tham khảo hữu ích và đáng tin cậy.

